
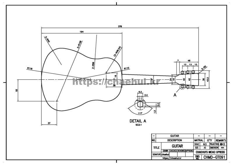
- 도면작도 실습도면 – 전구(BULB)
- 도면작도 실습도면 – 원자(ATOM)
- 도면작도 실습도면-모노잭(Monojack)
- 도면작도 실습도면 – 더브테일 브라켓(DOVETAIL BRACKET)
- 도면작도 실습도면 – 심압대(TAILSTOCK)
- 도면작도 실습도면 – 마이크(MIC)
- 도면작도 실습도면 – 컴파스(COMPAS)
- 도면작도 실습도면 – 크랭크축(CRANK SHAFT)
스패너(spanner)는 볼트나 너트와 같은 잠금장치에 회전력을 가하여 조이거나 푸는 데 사용되는 공구다. 영국, 아일랜드, 호주 및 뉴질랜드에서는 ‘스패너’라는 용어를 사용하며, 북미 지역에서는 ‘렌치(wrench)’라는 용어가 일반적이다. 위키백과, 우리 모두의 백과사전
스패너의 변천사
스패너의 역사는 15세기까지 거슬러 올라간다. 당시에는 탭 렌치 및 파이프 렌치와 같은 고정되지 않는 장치를 돌리는 도구로 사용되었다. 18세기 말과 19세기 초에는 영국에서 제조된 다양한 크기의 마차 바퀴 너트용 조정 가능한 코치 렌치가 북미로 수출되었다. 19세기 중반에는 턱을 좁히고 넓히기 위해 나사를 사용하는 조정 가능한 렌치가 특허를 받기 시작했다. 위키백과, 우리 모두의 백과사전
스패너의 기능
스패너는 주로 다음과 같은 기능을 수행한다:
- 조임: 볼트나 너트를 회전시켜 결합 부품을 단단히 고정한다.
- 풀림: 반대로 회전시켜 결합 부품을 분해하거나 느슨하게 한다.
스패너의 원리
스패너는 지레의 원리를 활용하여 작은 힘으로도 큰 회전력을 발생시킨다. 스패너의 손잡이가 길수록 더 큰 토크를 가할 수 있어 효율적인 작업이 가능하다.
스패너의 구조
스패너는 일반적으로 다음과 같은 구조로 이루어져 있다:
- 헤드(머리): 볼트나 너트에 직접 접촉하여 회전력을 전달하는 부분으로, 다양한 형태와 크기로 제작된다.위키백과, 우리 모두의 백과사전
- 핸들(손잡이): 사용자가 손으로 잡고 힘을 가하는 부분으로, 길이와 형태에 따라 작업 효율이 달라진다.
스패너의 종류
스패너는 다양한 형태와 용도로 분류된다:
- 개구 스패너(Open-end spanner): 헤드 부분이 U자 형태로 개방되어 있어 볼트나 너트의 측면에 쉽게 접근할 수 있다.
- 폐구 스패너(Box-end spanner): 헤드 부분이 폐쇄된 고리 형태로, 볼트나 너트를 완전히 감싸 안정적인 그립을 제공한다.
- 조정식 스패너(Adjustable spanner): 헤드의 크기를 조절할 수 있어 다양한 크기의 볼트나 너트에 사용할 수 있다.
- 몽키 스패너(Monkey spanner): 조정식 스패너의 일종으로, 나사를 돌려 헤드의 크기를 조절한다.
- 파이프 렌치(Pipe wrench): 파이프와 같은 원통형 물체를 잡고 회전시키는 데 사용된다.
스패너에 사용되는 재질
스패너는 일반적으로 강도와 내구성이 우수한 재질로 제작된다:
- 크롬 바나듐 강철: 내마모성과 내식성이 뛰어나며, 고강도를 제공한다.
- 크롬 몰리브덴 강철: 충격에 대한 저항성이 우수하며, 고온에서도 강도를 유지한다.
스패너 제작방법
스패너의 제작 과정은 다음과 같다:
- 재료 선택: 적절한 합금 강철을 선택한다.
- 단조: 선택한 재료를 가열하여 원하는 형태로 단조한다.
- 열처리: 강도를 높이기 위해 열처리를 수행한다.
- 가공 및 연마: 정밀한 치수를 얻기 위해 가공하고, 표면을 연마하여 마무리한다.
- 코팅: 부식을 방지하기 위해 크롬 도금 등의 코팅을 적용한다.
스패너 활용분야
스패너는 다양한 분야에서 활용된다:
- 자동차 정비: 엔진 부품이나 섀시의 볼트와 너트를 조이거나 풀 때 사용된다.
- 건설 현장: 철골 구조물의 조립 및 해체 작업에 필수적이다.
- 가정용 수리: 가구 조립이나 간단한 수리 작업에 활용된다.
- 배관 작업: 파이프 연결부의 조임 및 풀림 작업에 사용된다.위키백과, 우리 모두의 백과사전

도면작도 실습에 도움이되는 명령어 모음:



















