
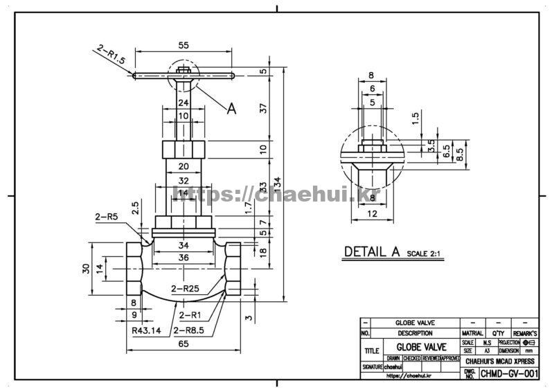
앵글밸브(Angle Valve)는 주로 유체의 흐름을 제어하기 위해 사용되는 기계적 장치로, 일반적으로 90도 각도로 설계되어 있습니다. 이 밸브는 다양한 산업 분야에서 사용되며, 아래에 그 개요, 종류, 기능, 설계 시 고려사항, 활용 사례를 자세히 설명하겠습니다.
1. 개요
앵글밸브는 주로 유체의 흐름을 차단하거나 조절하는 데 사용되며, 유체가 90도 각도로 흐르도록 설계된 구조입니다. 이러한 구조는 공간 효율성을 높이고, 설치의 유연성을 제공합니다.
2. 종류
- 구형 앵글밸브: 유체의 흐름을 원활하게 조절할 수 있는 형태로, 내부에 구형의 닫힘 요소가 있어 밀폐력이 좋습니다.
- 게이트 앵글밸브: 유체의 흐름을 완전히 차단하거나 통과시키는 기능이 있으며, 주로 온수 및 냉수 시스템에 사용됩니다.
- 볼 앵글밸브: 볼을 회전시켜 유체의 흐름을 조절하는 형태로, 빠른 개폐가 가능하며, 내구성이 뛰어납니다.
- 체크 앵글밸브: 유체의 역류를 방지하는 기능이 있어, 안전성 면에서 중요한 역할을 합니다.
3. 기능
- 흐름 제어: 유체의 흐름을 조절하거나 차단하는 역할을 합니다. 사용자가 원하는 대로 유량을 조절할 수 있습니다.
- 방향 전환: 유체가 90도 각도로 흐르도록 하여 배관 시스템의 설계를 용이하게 합니다.
- 안전성: 역류 방지 및 시스템 보호 기능을 통해 유체의 흐름을 안전하게 관리합니다.
4. 설계 시 고려사항
- 재료: 사용되는 유체의 특성에 따라 적합한 재료(스테인리스강, 황동 등)를 선택해야 합니다. 부식에 강한 재료가 필요할 수 있습니다.
- 압력과 온도: 작동 조건에 맞는 압력 및 온도 범위를 고려하여 설계해야 합니다. 이는 밸브의 내구성과 안전성에 영향을 미칩니다.
- 유량 요구사항: 밸브가 조절할 유량을 미리 파악하고, 이에 맞는 사이즈와 형태를 선택해야 합니다.
- 작동 방식: 수동, 전동, 공압 등 적합한 작동 방식을 결정해야 합니다.
5. 활용 사례
- HVAC 시스템: 난방, 환기, 공기 조화 시스템에서 유체 흐름을 제어하는 데 널리 사용됩니다.
- 산업용 배관: 다양한 산업에서 유체의 흐름을 조절하고, 안전하게 관리하기 위해 설치됩니다.
- 수처리 시설: 수돗물 및 폐수 처리 과정에서 유체의 흐름을 조절하여 안정적인 운영을 지원합니다.
- 주택 및 건물: 주거 및 상업용 건물의 급수 시스템에서 유체 흐름을 조절하는 데 사용됩니다.
앵글밸브는 다양한 산업 및 주거 환경에서 필수적인 요소로, 유체 흐름을 효율적으로 제어하고 안전성을 높이는 데 중요한 역할을 합니다.

도면작도 실습에 도움이되는 명령어 모음:



















